Category: ElectronicsOlli Vanhoja
2010
2010
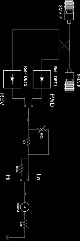
A Wide Frequency Range Forward/Reverse Power Indicator







The device shown here works decently well as an SWR indicator for a wide frequency range. However, the detector type used isn't temperature compensated, and the directional coupler is non-linear by design.
Files
- swr_meter.zip EAGLE files for the PCB






